2025-07-31
【IDEC】放大器內置型小型光電感測器-本質安全型防爆構造 SA2E-EX型
下載

主要特徵:
1.檢測距離的豐富選擇:
T型:對照型
P型:偏光回歸反射型
D型:擴散反射型
B型:距離設定型
N型:小光束反射型
2.本質安全防爆構造的 SA2E-EX 型,需與本質安全防爆構造的 EB3S 型感測器隔離柵連接使用。
(1)防爆構造等級:Ex ia IIB T4 Ga
(2)可使用之危險區域:氣體、蒸氣:Zone 0~2
(3)已取得全球防爆認證:
【認證編號】
IECEx (國際):IECEx CML 24.0007
ATEX (歐洲):CML 24ATEX2012
FM (美國):FM24US0235X
JPEx (日本):CML 24JPN2074
Ex-CCC (中國):2024012315701270
TS (台灣):TD04010Z
可連接隔離柵
本質安全防爆構造的 SA2E-EX 型,需與本質安全防爆構造的 EB3S 型感測器隔離柵連接使用。

豐富的檢測距離可供選擇

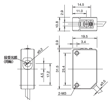
與非防爆型內建放大器的小型光電感測器 SA2E 型相同的小型尺寸
同軸偏光回歸反射型(透明體檢測類型)
(SA1E-X)
周圍溫度可對應至–30℃
周圍溫度可對應至–30 至 +55°C。它也可以安裝在冷凍設備上。
前往最新消息列表